Accueil » Conception et fabrication de fûts métallique sur mesure
Conception et fabrication de fûts sur-mesure
À la recherche de fûts sur mesure en inox ou en acier pour répondre à vos besoins spécifiques de stockage ? Chez NISON, nous proposons une gamme complète de fûts personnalisés, fabriqués avec précision pour répondre à vos exigences les plus pointues.
Fabrication de fûts inox sur mesure
Chaque projet de fabrication de fûts inox sur mesure chez NISON commence par une compréhension approfondie de vos besoins.
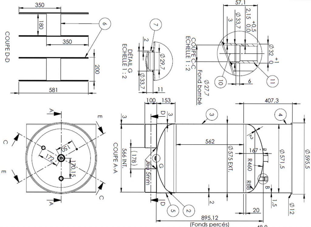
Un bureau d’étude avec le souci du détail
Nous travaillons en étroite collaboration avec vous pour définir les spécifications exactes de vos fûts.
Que ce soit pour des dimensions particulières, des capacités spécifiques ou des fonctionnalités additionnelles, nous assurons que chaque détail est pris en compte pour concevoir un produit parfaitement adapté à vos attentes.
Les plans 2D et 3D sont conçus avec un logiciel de CAO et donnent lieu à un suivi documentaire complet.






Une démarche qualité de premier ordre
Suivi Documentaire
Nos équipes assurent un suivi documentaire draconien pour vous permettre de répondre à toutes les exigences :
- Cahier de soudage
- Certificat matière
- Gestion des qualifications des modes opératoires de soudage (QMOS)
- Description des modes opératoires de soudage (DMOS)
- Dossier constructeur
Contrôles Non-Destructifs
Nous mettons en place des tests sur le produits finis pour assurer une étanchéité parfaite :
- ressuage
- radiographie
- tests sous-pression
Agrément Matière Dangereuses
Nous pouvons gérer l’obtention de l’agrément ONU pour le transport des matières dangereuses solides – spécifiquement selon les modes de transport mobilisés :
- IATA (Transport aérien) ;
- ADR (Transport routier) ;
- IMDG (Transport maritime) ;
- RID (Transport ferroviaire).
Certification ISO 9001
NISON est certifiée selon la norme ISO 9001, ce qui témoigne de notre engagement envers l’excellence.
Notre système de gestion de la qualité conforme à l’ISO garantit que chaque fût en inox sur mesure est fabriqué selon des standards rigoureux.
INFORMATIONS TECHNIQUES
- Entièrement soudés TIG
- Traitement chimique (rinçage à l’eau déminéralisé en option)
- Polissage intérieur et / ou extérieur
⌀ intérieur (mm) | Capacité (L) | Hauteur (mm) |
|---|---|---|
220 | 5 à 10 L | à la demande |
305 | 15 à 30 L | à la demande |
360 | 40 à 60 L | à la demande |
460 | 70 à 140 L | à la demande |
571.5 | 150 à 250 L | à la demande |
712 | 250 à 460 L | à la demande |



NOMBREUSES OPTIONS
- Renfort inox soudé à la partir inférieure et / ou supérieure
- 1 ou 2 poignées fixes sur le couvercle
- 2 poignées abattantes sur le corps
- Expansion sur le corps
- Homologation matières dangereuses pour l’ industrie Nucléaire, Pharmaceutique, Cosmétique et autres.
- Bondes inox
- Vidange total avec vanne ATEX
- Piquage sur-mesure
- Revêtement intérieur
- Habillage intérieur rotomoulé
- Sérigraphie
- Marquage
- Filtre
- ….
GRANDE VARIETE DE FERMETURES
- 4 ou 6 crochets mobile en acier inox
- Collier de serrage en acier inox ou électro-zingué avec tous types de fermeture
- Brides
- Joints en nitrile, caoutchouc alimentaire, viton, téflon, etc…
- Sur-mesure
- Sertissage
- Traitement chimique (rinçage à l’eau déminéralisé en option)
- Polissage intérieur et / ou extérieur
Fûts Acier sur mesure
De par notre savoir-faire en fabrication de fûts Inox, nous proposons aussi des fûts acier sur mesure.
Nous apportons à leur conception et leur fabrication le même souci du détail et de qualité.
équipements spécifiques possibles
- Tous nos fûts sont peints extérieur de la couleur désirée par le client
- Bondes sur le couvercle
- Sérigraphie sur le corps et le couvercle
- Revêtements intérieur
- Joints
- Moussage intérieur
- Pastille filtrante
- Marquage
- Poingées
- Homologation pour les matières dangereuses
- …